팔로우:

제품
32A 정방향 및 역방향 제어 로터리 스위치
  • 32A 정방향 및 역방향 제어 로터리 스위치32A 정방향 및 역방향 제어 로터리 스위치
  • 32A 정방향 및 역방향 제어 로터리 스위치32A 정방향 및 역방향 제어 로터리 스위치
  • 32A 정방향 및 역방향 제어 로터리 스위치32A 정방향 및 역방향 제어 로터리 스위치

32A 정방향 및 역방향 제어 로터리 스위치

30년 이상의 경험을 보유한 전문 전기 스위치 제조업체인 YAMING은 정교한 장인정신과 최첨단 기술로 제작된 고성능 회로 제어 솔루션인 32A 정방향 및 역방향 제어 로터리 스위치(내부 모델: YMW26-32 5.5N/3)를 출시합니다. 이 3위치 로터리 스위치는 AC 50HZ/690V 이하 및 DC 240V 이하 회로에 적용 가능하며 수동 비빈번 회로 변환, 직접 소형 AC 모터 제어, 명령 제어 및 회로 테스트를 지원합니다.

YAMING 32A 정방향 및 역방향 제어 로터리 스위치는 최대 전류 베어링 용량이 32A인 AC 50HZ/690V 및 DC 240V 회로용으로 특별히 설계된 신뢰성이 높은 3위치 전환 스위치입니다. 핵심 기능에는 수동 비빈번 회로 변환 실현, 소형 AC 모터 직접 제어, 명령 제어 및 회로 테스트 시나리오에 적용 등이 포함됩니다.


전기 제어 시스템의 핵심 구성 요소로서 다양한 전기 제품의 안정적이고 안정적인 작동을 효과적으로 보장합니다. 다양한 작업 환경에 대한 강력한 적응성과 함께 컴팩트한 크기, 다기능 통합, 견고한 구조 및 안정적인 작동이 특징입니다. 중국의 신뢰할 수 있는 공급업체인 YAMING은 이 스위치에 대한 맞춤형 옵션을 제공하여 다양한 애플리케이션 요구 사항을 충족함으로써 회로 제어, 테스트 장비 및 모터 제어 시스템의 핵심 구성 요소가 됩니다.


핵심 제품 특징


- 유연한 설치를 위한 컴팩트한 구조: 스위치는 컴팩트한 디자인을 채택하여 제한된 설치 공간에 유연하게 배치할 수 있어 장비 내부 공간의 활용도가 크게 향상됩니다.


- 다중 기능 통합: 여러 제어 기능을 통합하여 다양한 애플리케이션 시나리오의 다양한 제어 요구 사항을 충족하고 여러 목적을 위해 하나의 스위치를 실현하고 시스템 구성의 복잡성을 줄입니다.


- 우수한 안전 성능: 견고한 구조와 고품질 재료로 제작된 스위치는 절연 성능이 뛰어나 사용 중 전기 안전을 효과적으로 보장하고 잠재적인 안전 위험을 줄입니다.


- 안정적이고 안정적인 작동: 회전 메커니즘은 원활하게 작동하며 고장률이 낮고 신뢰성이 높아 장기간 사용해도 안정적인 성능을 유지할 수 있습니다.


- 세련되고 실용적인 디자인: 외관 디자인은 스타일리시하고 기능적이므로 다양한 장비의 미적 스타일과 잘 어울리고 장비의 전체적인 질감을 향상시킬 수 있습니다.



제품 응용


YAMING 32A 정방향 및 역방향 제어 로터리 스위치는 다양한 사용 시나리오에 맞게 조정할 수 있는 포괄적인 분류 시스템을 갖추고 있으며 주요 응용 프로그램 및 분류 세부 사항은 다음과 같습니다.


1.주요 응용분야

이는 주 회로 스위칭, 직접 AC 모터 제어, 명령 제어 및 회로 측정 시나리오에 널리 사용되며 회로 제어 시스템, 테스트 장비 및 모터 제어 시스템의 중요한 핵심 구성 요소입니다.


2.분류 세부사항

- 작동 모드: 다양한 작동 요구 사항에 맞게 위치 지정, 자체 재설정 및 위치 지정 자체 재설정 모드를 포함합니다.


- 변환 각도: 다양한 기계식 변속기 요구 사항에 맞는 30°, 45°, 60°, 90° 변환 각도 옵션.


- 패널 모양: 정사각형 및 직사각형 패널 모양으로 제공되며 다양한 장비 설치 인터페이스에 적합합니다.


- 사용자 정의 가능한 레이어: 스위치는 1~12개 레이어의 사용자 정의를 지원하므로 특정 제어 시스템 요구 사항에 따라 개인화된 구성이 가능합니다.


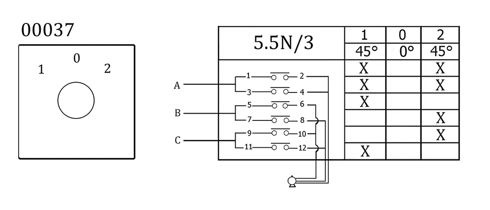
참고: 제품에는 빠르고 정확한 설치 및 사용을 용이하게 하기 위해 자세한 배선도가 제공됩니다.

그리고 이 32A 로터리 캠 스위치는 사용자 정의할 수 있습니다(1~12개 레이어):



근무 조건


YAMING 32A 정방향 및 역방향 제어 로터리 스위치는 환경 적응성이 뛰어나며 다음과 같은 정상적인 작동 조건에서 안정적으로 작동할 수 있습니다.


- 온도 범위: 온도 범위가 -25℃ ~ +50℃이고, 평균 온도가 24시간 이내에 +35℃를 초과하지 않는 환경에서 사용하기에 적합합니다.


- 설치 고도 : 다양한 지리적 환경 요구 사항에 맞게 고도 4000m 이하에 설치할 수 있습니다.


- 상대습도 : 최대 상대습도는 +50℃에서 50%, +20℃에서 90%입니다. 온도 변화로 인한 습기 축적에 대해 YAMING은 스위치의 안정적인 작동을 보장하기 위해 특수 결로 방지 솔루션을 제공합니다.


협력의 장점


풍부한 경험을 갖춘 전문 공장인 YAMING은 품질 우선이라는 개념을 고수하고 고객에게 고품질 32A 정방향 및 역방향 제어 로터리 스위치 제품을 제공합니다. 중국의 신뢰할 수 있는 공급업체로서 우리는 제품 성능과 품질을 보장할 뿐만 아니라 사려 깊은 애프터 서비스와 맞춤형 솔루션을 제공하여 글로벌 고객을 위해 더 큰 가치를 창출하기 위해 최선을 다하고 있습니다.


기술적인 매개변수

제품개요 사이즈 설치사이즈



핫 태그: 32A 정방향 및 역방향 제어 로터리 스위치 제조업체, 중국, 공급 업체, 공장
문의 보내기
연락처 정보
견적이나 협력에 관한 문의사항이 있으신 경우, 이메일이나 아래 문의양식을 이용해 주시기 바랍니다. 영업 담당자가 24시간 이내에 연락을 드릴 것입니다.
X
당사는 귀하에게 더 나은 탐색 경험을 제공하고, 사이트 트래픽을 분석하고, 콘텐츠를 개인화하기 위해 쿠키를 사용합니다. 이 사이트를 이용함으로써 귀하는 당사의 쿠키 사용에 동의하게 됩니다. 개인 정보 보호 정책
거부하다 수용하다